订购需知
直流电机订购需知
1、用户选用本系列电机时须说明产品型号、功率、电压、转速。其中电压分电枢电压和励磁电压。
2、确定安装方式:安装方式有立式安装、卧式安装、立卧式安装。
3、确定出线方式:电机默认出线为右出线,还可有左、顶出线方式。
4、出轴方式默认单出轴,也可定制双出轴。
5、冷却方式:安装风机冷却、空水冷却器、管道通风冷却。
6、电机可安装测速发电机、编码器等。如需安装编码器请提供所需型号。
7、根据客户要求可安装相应的测温元件。
产品介绍

Z710-G 2500KW 800/1200r/min直流电动机是我公司在Z系列中型直流电动机设计制造基础上,运用最新科研技术手段设计的大容量高速线材轧机用电动机。
直流电机在大功率、高转速情况下,换向难度很大。我们在多年的直流电机设计经验基础之上,大胆创新,采用了特殊的绕组结构形式及一系列抑制火花的措施,有效降低了电机运行时的火花等级,其技术性能指标达到了GB/T1997《Z系列直流电动机技术条件》的要求。该电机已成功应用于钢铁行业,运行稳定,效果良好。
Z710-G电机功率能达到2500KW在国内属于首创,两台串联使用功率高达5MW,其转动惯量很小反应速度快,顺应了钢铁行业现代化高速线材轧机高速、大容量发展方向。
概述
Z710-G型直流电动机是我公司新开发的高速线材轧机用Z系列直流电机,其中心高为710毫米。由于Z710-G型电机的结构及性能有其独特性,与Z系列中型直流电机有一定的差别。
使用条件
1、电机的冷却空气中应不含有酸、碱等使电机的绝缘和换向性能有损坏的气体。
2、电机的额定功率是指在海拔不超过1000米,环境空气温度不超过40°C的条件下。
3、电机的供电电源采用静止整流电源,也可以采用直流发电机电源。
型号说明

产品结构特点
本电机机座采用多角形叠片结构,具有体积小、重量轻等优点,适用可控硅整流电源,能承受脉冲电流与电流急剧变化之工况。电机的绝缘等级为F级。电机采用无溶剂漆真空压力侵渍处理(VPI),使绕组绝缘具有良好的抗潮能力、机械强度和优良的导热性。电机铁心由硅钢片叠装而成,具有良好的导磁性能。
本电机的安装型式符合GB997和IEC34-7《电机结构及安装形式代号》:
标准IM1001 底脚安装,水平放置,圆柱形单轴伸;
可派生IM1002 底脚安装,水平放置,圆柱形双轴伸;
电机的防护等级IP44;
电机冷却方式ICW37A86。
产品性能
1、本电机的定额为连续工作方式(S1)。
2、本电机的标准额定电压有660V、750V两种。
3、本电机的励磁方式为他励,励磁电压为220V。也可根据需要在订货时商定。电机的实际励磁电压,应以电机实际励磁电流达到额定值为准。本电机允许强行励磁,强励电压不得超过500V。强励时,励磁电流可瞬时略超过额定励磁电流,但励磁电流稳定后,不得超过。
4、本电机的过载能力:能承受下表所规定的短时(一分钟)过载。

1)偶尔使用的短时过载能力是指很少发生或在紧急情况下,电机在一分钟内承受超过连续额定负载的能力,建议将断路器的瞬时开断装置按偶尔使用的短时过载、能力整定。
2)经常使用的短时过载能力是指作为正常工作周期的一部分,电机反复承受超过额定负载的能力。
3)段试过载运行之后,必须轻载运行,使电机整个负载周期的负载均方根值不超过其连续定额。
5、电流变化率
在所有转速及负载下,电机的电流变化率(di/dt)允许达每秒200倍额定电流。
6、噪声震动
本电机的《噪声测定方法及限值》符合GB10069.3国家标准。
本电机的《振动测定方法及限值》符合GB10068.2国家标准。
容量选择
这类电机的详细数据见技术数据表,用户可以根据所需的容量、转速和电压等选定电机的型号和规格。
技术数据
Z710-G 适用于冷却方式ICW37A86

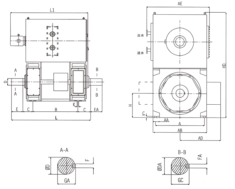
外形图及安装尺寸表
带背包式空水冷却器



admin@shengling88.com
江苏省无锡市洛社镇花苑村大槐路1号
扫一扫关注
先锋电机公众号
COPYRIGHT © 无锡先锋电机有限公司 ALL RIGHTS RESERVED. 网站地图
ICP备案号:苏ICP备13035902号-1
